


产品中心
Product Center -
酸碱计量箱
2022-02-09 17:07:47
产品详情
简介:
酸碱计量箱是离子交换除盐系统内的辅助设备之一,用于贮存每次再生所需的酸液或碱液,设备壳体钢防腐或塑料桶。
1:盐酸计量箱,接触介质为HCL,浓度一般在4~30%左右,盐酸储罐内部衬天然橡胶已达到防止盐酸与壳体接触的目的。
2:浓硫酸(98%以上)计量箱,接触、存储的介质为98%的浓硫酸,浓硫酸具有强氧化性,会与等钢材发生钝化作用,形成一种致密性的钝化膜(金属氧化物薄膜),起到隔绝反应物的作用,?;つつ诘慕橹什辉儆肟翘宀Х从?,起到很好的储存浓硫酸介质的作用。
3:稀硫酸(低于70%)计量箱,接触、存储的介质为稀硫酸,稀硫酸储罐内部衬四氟乙烯或塑料已达到防止稀硫酸与壳体接触的目的。
4:碱计量箱,接触、存储的介质为NaOH,由于NaOH与钢材不发生化学反应所以内部防腐可以衬胶也可以不衬胶。
技术参数:
工作压力:常压
工作温度:常温
规格:0.5立方米-5立方米
设备照片:

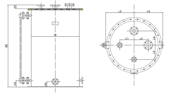
酸碱计量箱尺寸规格表:

